EP-V-70 Rotary Cutter Gearbox
The EP-V-70 is an industrial-grade agricultural gearbox designed for heavy-duty rotary cutters and slashers. The EP-V-70 combines cast iron G25 and GS400 materials, precise speed multiplier ratios, and precision-ground gears. This results in higher shock load endurance, smoother transmission, and reduced vibration compared with conventional aluminum housings.
EP-V-70 Rotary Cutter Gearbox

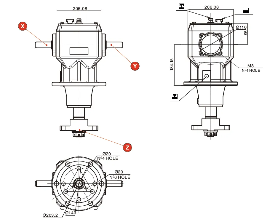
The EP-V-70 Rotary Cutter Gearbox is a premium industrial grade agricultural power transmission unit engineered and manufactured by Ever-Power in Singapore. EP-V-70 combines cast iron G25 and GS400 materials, highly efficient multiplier gear ratios, and precision-ground gears. This results in higher shock load endurance, smoother transmission, and reduced vibration compared with conventional aluminum. Designed specifically to endure the torsional loads and violent impacts of heavy-duty brush mowers, slashers, and rotary cutters, this highly robust 43 kilogram gearbox integrates high precision Gleason spiral bevel gears within a rigid ductile iron housing. Capable of supporting a standard input speed of 540 revolutions per minute, it operates as a speed multiplier with a 1:1.47 ratio, accelerating the vertical output shaft to 794 revolutions per minute to drive cutting blade carriers. It delivers exceptional power capacities reaching up to 51 kilowatts or 70 horsepower. The EP-V-70 serves as a direct, high performance replacement for leading North American and European OEM brands in the agricultural sector, offering seamless dimensional compatibility, enhanced mechanical longevity, and significant reductions in expensive equipment downtime for global property and land management operations.
- Constructed utilizing a combination of high grade G25 Cast Iron and superior GS400 Ductile Iron, providing unmatched structural rigidity and the absolute ability to absorb severe mechanical shock loads—such as blade impacts with hidden rocks—without housing fracture.
- Features advanced Gleason toothing technology specifically utilizing spiral bevel gear profiles, ensuring optimized load distribution across the gear face, exceptionally high transmission efficiency, and significantly reduced operational noise levels.
- Engineered as a high-performance speed multiplier transmission, utilizing a precision 1:1.47 ratio to convert a standard 540 RPM tractor power take-off input into a high-velocity 794 RPM output, delivering the blade tip velocity required for cleanly severing heavy brush and thick overgrown grass.
- Designed with an optimized thermal mass featuring a 1.7 liter internal gear oil capacity, which guarantees rapid thermal heat dissipation and continuous, reliable lubrication to the heavy-duty tapered roller bearings under relentless field conditions.
- Built to accommodate demanding agricultural mechanical loads, safely managing a continuous input torque of 930 Newton meters and featuring a heavy-duty splined and tapered vertical output shaft specifically designed to securely mount steel stump jumpers and heavy blade carriers.
Product Overview and Value Proposition
In the highly demanding and rapidly paced realm of modern global agriculture and property management, the ultimate reliability of a machine's mechanical power transmission system is the singular defining factor between a highly productive, profitable workday and costly, immensely frustrating equipment downtime. The operational window for clearing overgrown pastures, maintaining right-of-ways, and eradicating thick brush is often severely limited by unpredictable weather patterns and aggressive plant growth cycles. During these highly critical periods, agricultural rotary cutters must operate continuously under massive and highly erratic impact loads. The EP-V-70 Rotary Cutter Gearbox is meticulously designed from the ground up by our dedicated engineering team at Ever-Power to proactively address the precise mechanical pain points experienced by commercial farmers, contractors, and original equipment manufacturers worldwide.
When a heavy-duty slasher or rotary cutter processes dense brush or unexpectedly impacts hidden field debris such as thick tree stumps, buried steel wire, or large rocks, the heavy steel cutting blades and massive stump jumper experience immense, sudden mechanical resistance. This sudden and violent rotational resistance translates directly into massive physical stress traveling instantly backward through the vertical output shaft to the primary gearbox unit. Lesser agricultural gearboxes utilizing standard thin walled aluminum or low grade cast steel housings simply warp, distort, or completely fracture under these severe dynamic shock loads. Our uncompromising employment of thick walled GS400 ductile iron ensures that the internal gear alignment remains absolutely rigid, actively preventing the catastrophic failure of bearings and the violent shearing of gear teeth. The immense structural integrity of the EP-V-70 guarantees that the precision ground gears remain in perfect mesh, distributing the highly erratic impact loads evenly across the hardened alloy steel surfaces. EP-V-70 combines cast iron G25 and GS400 materials, interchangeable gear ratios, and precision-ground gears. This results in higher torque endurance, smoother transmission, and reduced vibration compared with conventional aluminum.
From a strategic procurement and long term economic perspective, agricultural equipment buyers are consistently searching for a highly reliable solution that successfully bridges the wide gap between the premium longevity of high end Western brands and sensible, cost effective capital investments. Ever-Power, operating directly out of our advanced manufacturing facilities in Singapore, delivers exactly this optimal balance. The EP-V-70 is not merely a replacement component; it is a comprehensive, industrial grade power delivery solution that guarantees operational continuity during your most critical land clearing seasons. By strictly adhering to international manufacturing standards such as ISO and DIN, and ensuring seamless dimensional compatibility with existing driveline systems, we entirely eliminate the engineering risks and fabrication costs typically associated with transitioning to a new supplier. The EP-V-70 stands as a testament to uncompromising engineering excellence, ensuring that your agricultural mowing machinery runs cooler, quieter, and significantly longer than ever before.
Comprehensive Technical Specifications

To actively facilitate precise engineering evaluation, seamless system integration, and informed B2B procurement decisions, the specific technical parameters of the EP-V-70 rotary cutter gearbox are detailed in the comprehensive table below. All specifications are derived directly from our stringent engineering tolerances and load testing protocols based on heavy industry standards.
| Proporção | Input RPM | Output RPM | Input Power Kw (HP) | Input Torque (N.m) | Output Torque (N.m) | Material | Toothing | Weight (KG) | Oil Cap. (LT) |
|---|---|---|---|---|---|---|---|---|---|
| 1:1.47 | 540 | 794 | 51 (70) | 930 | 632 | Ductile Iron GS400 | Gleason Spiral Bevel | 43 | 1.7 |
Data explicitly referenced from Ever-Power internal engineering documentation for the EP-V-70 series.
EP-V-70 Rotary Cutter Gearbox Shafts:
EP-V-70 Rotary Cutter Gearbox Rotations:
Material and Manufacturing Excellence
The fundamental mechanical strength and extreme durability of the EP-V-70 rotary cutter gearbox originates directly from our uncompromising approach to material science and advanced metallurgical processing at Ever-Power. Agricultural mowing environments relentlessly expose sensitive high-speed machinery to extremely high levels of moisture, abrasive silica dust, corrosive plant saps, and sudden, violent mechanical shock. To aggressively combat this rapid degradation, the heavy exterior housing is precision cast from superior GS400 Ductile Iron. Ductile iron features carbon graphite in a nodular or spherical microscopic form, which actively halts the propagation of microscopic stress cracks deep within the molecular structure of the metal. This specific metallurgical advantage means the gearbox housing can easily absorb impacts from field operations—such as blade strikes against boulders—without shattering, representing a highly critical operational advantage over brittle standard cast iron or easily distorted aluminum materials.
Internally, the high-speed power transmission capacity heavily relies on premium gears cut using the industry leading Gleason manufacturing process. We utilize a highly specialized Gleason spiral bevel gear configuration for the EP-V-70 based on the immensely demanding high-shock application requirements of modern slashers. Spiral bevel teeth engage gradually and exceptionally smoothly, allowing for a much more fluid and continuous transition of rotational force between the interacting primary gear faces. This progressive mechanical engagement significantly lowers the ambient decibel level of the operating machinery and drastically reduces the harsh mechanical vibrations that typically lead to rapid roller bearing fatigue and premature oil seal failure. Every internal gear undergoes a highly precise carburizing and quenching heat treatment process. This advanced metallurgical procedure ensures that the outermost surface layer of the gear tooth achieves an exceptionally high hardness rating to actively resist abrasive wear over thousands of operational hours, while the inner core of the steel gear remains tough and highly ductile to safely absorb sudden shock loads without snapping or catastrophically fracturing.
The heavy internal shafts are machined from premium high tensile alloy steel, precision ground to exact micrometric tolerances to ensure a perfect interference fit with the extreme capacity tapered roller bearings. The vertical output shaft is specifically engineered with a robust tapered spline profile and a threaded heavy-duty tip to securely anchor heavy steel stump jumpers and blade carriers. To seal the internal unit against the harsh external environment, we strictly utilize industrial grade double lip oil seals reinforced with internal steel garter springs. This ensures that the critical 1.7 liters of internal extreme pressure gear oil remains perfectly contained while actively repelling water, liquid plant residue, and abrasive agricultural dust.
Primary Application Scenarios
The highly engineered versatility, speed multiplier ratio, and robust 70 HP power rating of the EP-V-70 allows it to serve as the exceptionally dependable primary power distribution hub for heavy-duty vegetation management implements.
Heavy-Duty Rotary Cutters and Slashers
The primary application for the EP-V-70 is on heavy-duty rotary cutters (commonly known as slashers or brush hogs) paired with utility tractors. During rough property maintenance or land clearing, these machines are tasked with pulverizing thick brush, saplings, and overgrown weeds. This requires the central gearbox to act as a multiplier, safely converting the standard 540 RPM horizontal tractor PTO power into high rotational speeds for the vertical blade carrier. The EP-V-70's 1:1.47 multiplier ratio is specifically designed to output 794 RPM to the stump jumper. This velocity ensures the swinging cutting blades generate the massive kinetic energy required to sever thick vegetation instantly.
Utility and Mid-Sized Tractor Mowers
For commercial maintenance crews, large estate owners, and agricultural contractors utilizing mid-sized utility tractors (typically in the 60-85 HP range), equipment must be reliable and perfectly matched to the tractor's output. The EP-V-70 is the ideal power transmission hub for 6-foot to 7-foot rotary cutter decks operating in challenging terrain. Its robust 43-kilogram footprint provides industrial-grade torque endurance required for continuous mowing of thick brush without adding excessive weight.
Pasture Toppers and Right-of-Way Mowers
For livestock operations and municipal clearing, maintaining pasture health or clearing roadsides by uniformly "topping" overgrown grass and thick weeds is essential. The EP-V-70 guarantees a uniform cutting performance across the mower deck. The robust internal bearing architecture easily manages the continuous radial loads generated by a heavy, rapidly spinning steel blade carrier, while the cast iron housing effectively dissipates the internal heat generated during prolonged mowing operations under the hot summer sun.
Compatibility and Direct Replacement Guide
Ever-Power strongly recognizes that a vast segment of the global agricultural market involves intelligently upgrading and replacing failed components on existing machinery rather than purchasing entirely new, expensive implements. The EP-V-70 rotary cutter gearbox is meticulously engineered to serve as a seamless, direct drop-in replacement for many prominent North American and European brands, significantly reducing maintenance downtime and completely eliminating expensive custom fabrication costs in your workshop.
If your machinery currently utilizes 60-75 HP rotary cutter gearboxes from manufacturers such as Omni Gear, Comer Industries, Bondioli and Pavesi, or direct OEM boxes from brands like Bush Hog, King Kutter, or John Deere, the EP-V-70 provides a highly attractive and extremely cost effective upgrade path. We have perfectly matched the standard 1-3/8" 6-spline input shaft profiles, ensuring that your existing power take-off drive shafts (equipped with shear bolts or slip clutches) will connect flawlessly. The heavy-duty square mounting bolt patterns and vertical output shaft dimensions are designed to align exactly with standard implement decks and stump jumpers, completely eliminating the need for manufacturing adapter plates, drilling new holes, or welding.
Engineering Selection Guide
Selecting the absolutely correct technical specification of the EP-V-70 agricultural gearbox requires a careful, methodical evaluation of your specific tractor parameters and implement mechanical requirements to ensure safe, highly efficient, and incredibly long lasting operation.
- First, you must accurately determine the output speed of your tractor Power Take-Off shaft. The EP-V-70 is specifically engineered as a multiplier gearbox optimized for a 540 RPM input. Connecting a high-speed 1000 RPM PTO drive to this multiplier gearbox will dangerously double the intended output speed, driving the heavy blade carrier well over 1400 RPM. This catastrophic mismatch will lead to immediate destruction of the output bearings, explosive disintegration of the stump jumper, and critical, potentially lethal safety hazards for the operator due to flying steel blades. Always verify PTO speed settings prior to engagement.
- Second, meticulously evaluate the required horsepower rating of your specific agricultural implement. Ensure your tractor's maximum PTO horsepower does not drastically exceed the continuous operational rating of the gearbox. While the EP-V-70 is rated for a robust 70 HP continuous load, subjecting it to a 110 HP tractor under heavy load will eventually shear the internal gear teeth or destroy the input bearings. Conversely, using a tractor that is too small (e.g., 35 HP) will result in frequent stalling and inefficient cutting.
- Third, verify the driveline protection mechanism. Rotary cutters inherently strike immovable objects. It is absolutely mandatory that the PTO driveline connecting the tractor to the EP-V-70 gearbox is equipped with a properly calibrated slip clutch or a specific shear bolt mechanism. Without this mechanical fuse, the kinetic energy of a suddenly stopped blade carrier will transfer instantly into the gearbox, resulting in catastrophic gear failure, regardless of the gearbox's strength.
Step by Step Installation Procedures
To guarantee the absolute reliability, safety, and warranty validity of your new EP-V-70 Rotary Cutter Gearbox, rigorous adherence to the following professional installation protocols is strictly mandatory for all maintenance personnel.
Preparation and Cleaning Phase
Begin by meticulously cleaning the heavy steel mounting deck on the rotary cutter frame. Remove all rust, debris, dried mud, and old flaking paint using an industrial wire brush and chemical solvent. Even a tiny fraction of a millimeter of debris caught between the gearbox flange and the implement mounting deck will cause microscopic driveline misalignment and stress.
Positioning and Alignment
The EP-V-70 unit weighs 43 kilograms. Proper lifting posture or a mechanical chain hoist should be utilized to avoid injury. Carefully lower the unit onto the mower deck, passing the vertical output shaft through the central deck hole. Do not drop the gearbox onto the deck, as this can damage the lower oil seal.
Fastening and Torque Protocol
Insert brand new high tensile engineering grade bolts, minimum Class 8.8 or 10.9 specification, through the mounting flanges. Thread all bolts completely by hand, then use a recently calibrated torque wrench to tighten them progressively in a diagonal, crisscross pattern. Consult your implement manufacturer technical specifications for the exact required torque values.
Blade Carrier (Stump Jumper) Installation
Carefully slide the heavy steel stump jumper onto the tapered, splined vertical output shaft. Install the massive heavy-duty castle nut and torque it to the implement manufacturer's extreme specifications (usually upwards of 350-450 ft-lbs). You must align the slots in the castle nut with the transverse hole in the output shaft and insert a heavy-duty cotter pin. Bend the legs of the cotter pin securely. Failure to install the cotter pin will result in the blade carrier flying off during operation, causing lethal danger.
Lubrication Commissioning Procedures
The EP-V-70 is shipped completely dry without any fluid. Operating this gearbox for even one minute without gear oil will cause catastrophic failure. Completely remove the top breather plug and carefully fill the gearbox with exactly 1.7 liters of premium SAE 90 EP (Extreme Pressure) gear oil. Confirm the correct fluid level using the designated side check plug.
Preventative Maintenance and Lubrication Protocols
The operational longevity and mechanical reliability of the EP-V-70 rotary cutter gearbox is directly proportional to the quality and strict frequency of the preventative maintenance it receives in the field.
Initial Break-In Oil Replacement
During the first 50 hours of active operation, the newly machined Gleason spiral bevel gear teeth undergo a natural microscopic polishing process. This sheds microscopic steel particles directly into the gear oil. You must drain and entirely replace the initial 1.7 liters of SAE 90 EP oil after exactly 50 hours of use. Perform this crucial oil change immediately after operating the machinery, while the oil is highly heated and thin.
Routine Seasonal Lubrication Schedule
Following the initial 50 hour break-in period, the extreme pressure gear oil must be replaced every 500 operating hours, or at the very end of every working season. Agricultural environments cause condensation to form naturally inside the sealed cast iron housing. Over time, this water degrades the extreme pressure chemical properties and causes destructive internal rust.
Breather Valve Maintenance and Cleaning
The top oil fill plug incorporates a highly specialized mechanical breather valve. Immense internal friction generates significant heat, causing air inside the casing to rapidly expand. If this tiny valve becomes clogged with field dust or pulverized plant matter, the internal air pressure will build continuously until it forcefully blows out the lower rubber oil seal, dropping all oil directly onto the spinning blades. Clean the breather valve vigorously with compressed air every 40 operating hours.
Advanced Troubleshooting Guide
When mechanical equipment issues unfortunately arise in the field, rapid and highly accurate diagnosis is essential to prevent further damage and drastically minimize operational downtime.
Housing Overheating Diagnosis
The cast iron housing should operate warm to the touch, generally remaining below a safe 85 degrees Celsius. If the unit is severely overheating and emitting smoke, immediately stop operations and check the internal oil level. Dangerously low oil causes extreme metal on metal friction, while overfilling the gearbox significantly above 1.7 liters causes fluid churning and massive hydraulic friction. If the oil level is perfectly correct, check your slip clutch; a continuously slipping clutch will transfer massive heat directly into the gearbox input shaft.
High Pitched Whining Noise Resolution
A continuous, high-pitched metallic whine typically indicates a critical issue with the internal spiral bevel gear mesh or the tapered bearing preload. This frequently occurs if the external implement mounting bolts have vibrated loose, allowing the gearbox housing to vibrate violently. Immediately stop and re-torque all mounting bolts.
Rhythmic Knocking or Clunking Identification
A heavy, highly rhythmic knocking sound indicates severe internal mechanical trauma. This is usually caused by a physically broken gear tooth resulting from a massive impact with a stump or boulder while the PTO shear bolt or slip clutch failed to actuate. This requires immediate cessation of all operation and professional rebuilding.
Lower Oil Seal Leakage
If oil is actively dripping from the lower output shaft onto the cutting deck, immediately check the top breather plug for blockage. If the plug is clear, meticulously inspect the output shaft for tightly wrapped baling twine, heavy weeds, or wire. Tightly wrapped wire will quickly cut directly through the lower rubber lip seal, causing total fluid loss.
Perguntas frequentes
What makes GS400 ductile iron superior to standard aluminum housings for rotary cutter gearboxes?
Standard aluminum housings suffer from exceptionally low tensile strength. Under the violent shock loads characteristic of rotary cutters hitting stumps and rocks, an aluminum housing will easily shatter or warp. GS400 ductile iron provides massive structural rigidity, excellent impact resistance, and superior vibration dampening properties, ensuring the gearbox survives extreme impacts.
Does the EP-V-70 gearbox come pre-filled with lubricating oil directly from the factory?
No. To strictly comply with complex international shipping regulations, all EP-V-70 units are shipped completely dry. You must manually add exactly 1.7 liters of premium SAE 90 EP gear oil prior to engaging the PTO.
Can I safely use standard tractor hydraulic fluid in this gearbox?
Absolutely not. Tractor hydraulic fluid completely lacks the Extreme Pressure (EP) sulfur and phosphorus chemical additives required to protect heavy duty gear teeth from destructive friction welding under massive shock loads. You must use dedicated gear oil rated API GL-5, such as SAE 90 EP or 80W-90.
Why is a shear bolt or slip clutch absolutely necessary when using this gearbox?
A rotary cutter is designed to clear unpredictable terrain. When the heavy spinning blades strike an immovable object like a large rock, the kinetic energy must go somewhere. A slip clutch or shear bolt acts as a mechanical fuse, breaking or slipping to dissipate the energy. Without it, that massive shockwave travels straight into the EP-V-70 gearbox, instantly shattering the internal steel gears regardless of their high horsepower rating.
Will this gearbox directly replace my broken European or North American 70 HP unit?
Yes. The EP-V-70 is purposefully engineered to strict international dimensional standards. The mounting hole patterns, input shaft heights, and lower tapered spline profiles are meticulously designed to seamlessly match standard 60-80 HP European and North American gearboxes. This allows for a direct bolt-on upgrade.
How tightly should I torque the massive castle nut on the output shaft?
The output shaft castle nut securing the stump jumper requires extreme torque, typically between 350 to 450 ft-lbs depending on the implement manufacturer's specifications. It is absolutely critical to achieve this torque and then properly install and bend a heavy-duty cotter pin to prevent the blade carrier from detaching during high-speed operation.
What immediate action should I take if the gearbox housing gets too hot to touch safely?
Stop operations immediately and safely disengage the PTO. First, completely clean any built up mud, dust, or pulverized plant residue from the exterior housing, as this acts as an insulating thermal blanket preventing cooling. Second, verify the internal oil level. Finally, check that your tractor PTO speed matches the 540 RPM requirement of the gearbox.
How do I properly prepare the gearbox for long term winter storage?
At the very end of the working season, carefully drain the old gear oil while it is still warm to thoroughly remove suspended moisture. Fill the gearbox to the correct level with fresh SAE 90 EP oil. Liberally coat the exposed splined steel shafts with heavy marine grade grease to absolutely prevent rust during the long off-season.
What is the expected L10 bearing life of this specific transmission unit?
The technical L10 life rating depends entirely on the continuous operational load, input speed, and strict adherence to the preventative maintenance schedule. Under optimal agricultural conditions, utilizing the correct 540 RPM input speed and maintaining a properly functioning shear bolt/slip clutch, the premium tapered roller bearings in the EP-V-70 are engineered for thousands of hours of highly reliable field service.
Are Gleason spiral bevel gears better than straight bevel gears for slashers?
Yes. Spiral bevel teeth engage gradually and smoothly, allowing for a much more fluid and continuous transition of rotational force. This progressive engagement provides vastly superior shock load absorption—a critical requirement for rotary cutters—while significantly lowering operational noise and high-frequency vibration compared to straight bevel gears.
Anti-Hallucination Notes
Please note that all specific dimensional parameters, weight specifications representing 43 kg, oil capacities requiring 1.7 L, and horsepower ratings reaching up to 70 HP provided in this highly technical document are subject to variations based on the exact ratio configuration and mounting style ultimately ordered. Agricultural rotary cutting applications are inherently subject to highly variable dynamic impact loads; therefore, peak torque ratings should never be treated as continuous safe operating limits. Always consult the certified technical schematics and engineering standards like ISO, DIN, and ASABE provided by Ever-Power prior to final procurement and installation. The compatibility references to OEM brands indicate dimensional and performance equivalence for replacement purposes; the Ever-Power EP-V-70 is an independent, premium manufactured product.
Contact Ever-Power
To request exact technical schematics, secure bulk pricing for OEM integration, or to verify drop-in compatibility for your specific heavy-duty rotary cutter or slasher, please contact our Singapore engineering and sales team today.
- Email: [email protected]
- Site: https://www.gear-reducers.com/
Redutores de engrenagem
A capacidade de fabricação de engrenagens de classe mundial, os fornecedores de materiais de qualidade e um processo de qualidade de última geração permitem que a EPT ofereça o mais alto nível de precisão, durabilidade e resistência. Os redutores planetários da EPT são projetados e construídos para aplicações avançadas de alta velocidade e baixa folga. Os processos de fabricação da EPT nos permitem oferecer capacidades excepcionais de carga de choque e várias opções de montagem.
Tratamento de superfície
Recozimento, canonização natural, tratamento térmico, polimento, niquelagem, cromagem, zincagem, passivação amarela, passivação dourada, cetim, pintura de superfície preta etc.
Método de processamento
Usinagem CNC, puncionamento, torneamento, fresagem, perfuração, retificação, brochamento, soldagem e montagem
CQ e certificado
Os técnicos fazem a autoverificação na produção e a verificação final antes da embalagem é feita por um inspetor de qualidade profissional
ISO9001:2008 , ISO14001:2001,ISO/TS 16949:2009
Pacote e prazo de entrega
Tamanho: Desenhos
Caixa de madeira/contêiner e palete, ou conforme especificações personalizadas.
Amostras de 15 a 25 dias. 30 a 45 dias para pedidos comerciais
Porto: Porto de Xangai/Ningbo
PERGUNTAS FREQUENTES
P: Você é uma empresa comercial ou fabricante?
R: Nosso grupo consiste em 3 fábricas e 2 empresas de vendas no exterior.
Q: Vocês fornecem amostras, são gratuitas ou extras?
R: Sim, podemos oferecer a amostra gratuitamente, mas não pagamos o custo do frete.
P: Qual é o prazo de entrega? Quais são suas condições de pagamento?
R: Em geral, o prazo é de 40 a 45 dias. O tempo pode variar dependendo do produto e do nível de personalização. Para produtos padrão, o pagamento é: 30% T/T antecipadamente, saldo antes do envio.
P: Qual é o MOQ ou o preço exato do seu produto?
R: Como uma empresa OEM, podemos fornecer e adaptar nossos produtos a uma ampla gama de necessidades, portanto, o MOQ e o preço podem variar muito de acordo com o tamanho, o material e outras especificações. Entre em contato conosco com todos os detalhes relevantes para obter a cotação mais precisa.




